HID head lights - A better understanding of it
08 Mar 2011|47,801 views
Driving on our busy roads can be a pain due to the inconsiderate drivers, bad traffic and, to a certain extent, thoughtless pedestrians. That's when your car is in a good working condition. Now imagine this - you're driving at night, enjoying the empty roads, listening to that favourite tune of yours and having a really lovely conversation with the lady sitting beside you. And all of a sudden your headlamp bulbs burst, leaving you in total darkness.
Not cool.
Unfortunately, the most commonly used car headlights are the halogen ones that tend to fade over time. This is when the HID headlights come in pretty handy.
Forget halogen, switch to HID
While conventional car headlights use halogen to give out light, HID headlights take advantage of the xenon gas along with metal halide salts and mercury. An arc comprising a high voltage current ignites the xenon inside the headlights causing them to glow pretty brightly. Similar to a fluorescent light, the high voltage of HID headlights also comes from a ballast. And, due to the use of xenon gas inside the headlights, they are often known as xenon headlights as well.
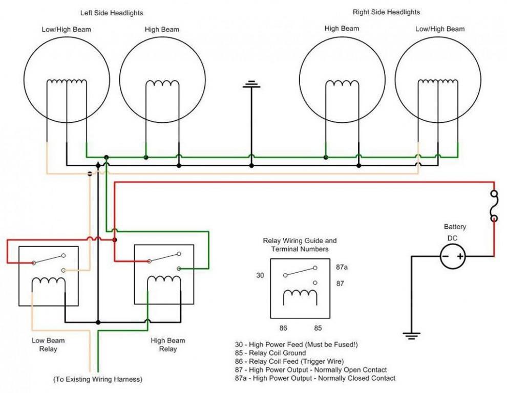
How does it work?
When you switch on your car headlights, a voltage of as high 12V is distributed along a relay coil. As a result, contacts are closed. From this point on, the 12V voltage is utilised to turn on a ballast inside a xenon headlight. It is this ballast that will then ignite and provide power for the bulbs. Pretty simple? You bet.
Why consider HID?
Well, obviously, compared to the conventional car headlights, HID headlights have quite a decent number of advantages.
First of all, HID headlights create a wider light beam pattern and illuminate the area at the side of vehicle better and are usually three times brighter than the halogen ones, allowing drivers who use them to drive more safely. In fact, ADAC (Allgemeiner Deutscher Automobil-Club), Europe's largest automobile club, found that drivers who use HID headlights drive more safely by up to 70 percent.
HID headlights are also able to save power consumption ranging from 25% to 35%. Also, these lights can usually stand wear and tear up to approximately ten years. With these headlights in place of the conventional ones, you won't have to worry anymore about driving weariness at night, or embarrassing yourself in front of that lovely lady beside you.
How to choose one?
When you choose your own HID headlights, there are quite a few things you need to bear in mind. You have to know what size your light bulbs come in. Normally, light bulbs come in sizes H1, H3, H4, H7, 9004, 9005, 9006, 9007, D2S, D2R, D1S and H13.
The next thing you will have to consider is the colour temperature you want with your HID headlights. This temperature is measured in the Kelvin (K) degrees. It determines what colour the HID headlights will produce.
Not cool.
Unfortunately, the most commonly used car headlights are the halogen ones that tend to fade over time. This is when the HID headlights come in pretty handy.
Forget halogen, switch to HID
While conventional car headlights use halogen to give out light, HID headlights take advantage of the xenon gas along with metal halide salts and mercury. An arc comprising a high voltage current ignites the xenon inside the headlights causing them to glow pretty brightly. Similar to a fluorescent light, the high voltage of HID headlights also comes from a ballast. And, due to the use of xenon gas inside the headlights, they are often known as xenon headlights as well.
How does it work?
When you switch on your car headlights, a voltage of as high 12V is distributed along a relay coil. As a result, contacts are closed. From this point on, the 12V voltage is utilised to turn on a ballast inside a xenon headlight. It is this ballast that will then ignite and provide power for the bulbs. Pretty simple? You bet.
![]() |
Why consider HID?
Well, obviously, compared to the conventional car headlights, HID headlights have quite a decent number of advantages.
First of all, HID headlights create a wider light beam pattern and illuminate the area at the side of vehicle better and are usually three times brighter than the halogen ones, allowing drivers who use them to drive more safely. In fact, ADAC (Allgemeiner Deutscher Automobil-Club), Europe's largest automobile club, found that drivers who use HID headlights drive more safely by up to 70 percent.
HID headlights are also able to save power consumption ranging from 25% to 35%. Also, these lights can usually stand wear and tear up to approximately ten years. With these headlights in place of the conventional ones, you won't have to worry anymore about driving weariness at night, or embarrassing yourself in front of that lovely lady beside you.
How to choose one?
When you choose your own HID headlights, there are quite a few things you need to bear in mind. You have to know what size your light bulbs come in. Normally, light bulbs come in sizes H1, H3, H4, H7, 9004, 9005, 9006, 9007, D2S, D2R, D1S and H13.
The next thing you will have to consider is the colour temperature you want with your HID headlights. This temperature is measured in the Kelvin (K) degrees. It determines what colour the HID headlights will produce.
HID with a temperature of 3000K will produce a golden yellow colour, 4300K produces bright white, 5000K produces white, 6000K produces crystal white, 8000K produces crystal blue, 10000K for Aqua Blue and 12000K for a purplish blue colour.
However, you need to keep away from the 'bluer' ones. Simply because our human eyes are unable to take in this colour well, causing a blur vision or even fatigue over a long period of time - something drivers will not want to experience during a drive.
Conversion kits are also important to consider. They normally consist of single beam, hi-lo beam, telescope and bi-xenon conversion kits.
Are there any possible problems?
As you would with any other things, you may also expect HID to have some problems. This lighting is can be very bright, especially when used at night due to the contrast. Hence, the glare can be a tad irritating for passing vehicles
Another drawback is the cost. HIDs are often sold with high price tags. Then again, when compared to what they can give, the cost is actually worth it.
Recommended use and maintenance
In order to prolong the life of your HID headlights, it is recommended that you do not attempt to turn them off right after you have turned them on. HID bulbs normally require 60 seconds just for warming up before they can reach the normal operational temperature. Therefore, if you attempt to turn them off -- also known as short striking -- you will most likely damage them.
Similar to that, you will also damage your expensive HID bulbs if you turn them on right after you have just turned them off. This is also known as hot striking.
You may also notice slight fogginess on your lens after using your new HID headlights for several times. You should not panic on this. All you have to do is to let it go away all by itself. But if it's getting on your nerves, you a nail polish remover should do the trick.
You will also need to check whether there are cracks in the lens of the headlamps, because although the surface cracks will not affect the headlights lighting performance, moisture along the crack may come into contact with the lamps, causing the reduction of your HID headlights.
However, you need to keep away from the 'bluer' ones. Simply because our human eyes are unable to take in this colour well, causing a blur vision or even fatigue over a long period of time - something drivers will not want to experience during a drive.
Conversion kits are also important to consider. They normally consist of single beam, hi-lo beam, telescope and bi-xenon conversion kits.
Are there any possible problems?
As you would with any other things, you may also expect HID to have some problems. This lighting is can be very bright, especially when used at night due to the contrast. Hence, the glare can be a tad irritating for passing vehicles
Another drawback is the cost. HIDs are often sold with high price tags. Then again, when compared to what they can give, the cost is actually worth it.
![]() |
Recommended use and maintenance
In order to prolong the life of your HID headlights, it is recommended that you do not attempt to turn them off right after you have turned them on. HID bulbs normally require 60 seconds just for warming up before they can reach the normal operational temperature. Therefore, if you attempt to turn them off -- also known as short striking -- you will most likely damage them.
Similar to that, you will also damage your expensive HID bulbs if you turn them on right after you have just turned them off. This is also known as hot striking.
You may also notice slight fogginess on your lens after using your new HID headlights for several times. You should not panic on this. All you have to do is to let it go away all by itself. But if it's getting on your nerves, you a nail polish remover should do the trick.
You will also need to check whether there are cracks in the lens of the headlamps, because although the surface cracks will not affect the headlights lighting performance, moisture along the crack may come into contact with the lamps, causing the reduction of your HID headlights.
Driving on our busy roads can be a pain due to the inconsiderate drivers, bad traffic and, to a certain extent, thoughtless pedestrians. That's when your car is in a good working condition. Now imagine this - you're driving at night, enjoying the empty roads, listening to that favourite tune of yours and having a really lovely conversation with the lady sitting beside you. And all of a sudden your headlamp bulbs burst, leaving you in total darkness.
Not cool.
Unfortunately, the most commonly used car headlights are the halogen ones that tend to fade over time. This is when the HID headlights come in pretty handy.
Forget halogen, switch to HID
While conventional car headlights use halogen to give out light, HID headlights take advantage of the xenon gas along with metal halide salts and mercury. An arc comprising a high voltage current ignites the xenon inside the headlights causing them to glow pretty brightly. Similar to a fluorescent light, the high voltage of HID headlights also comes from a ballast. And, due to the use of xenon gas inside the headlights, they are often known as xenon headlights as well.
How does it work?
When you switch on your car headlights, a voltage of as high 12V is distributed along a relay coil. As a result, contacts are closed. From this point on, the 12V voltage is utilised to turn on a ballast inside a xenon headlight. It is this ballast that will then ignite and provide power for the bulbs. Pretty simple? You bet.
Why consider HID?
Well, obviously, compared to the conventional car headlights, HID headlights have quite a decent number of advantages.
First of all, HID headlights create a wider light beam pattern and illuminate the area at the side of vehicle better and are usually three times brighter than the halogen ones, allowing drivers who use them to drive more safely. In fact, ADAC (Allgemeiner Deutscher Automobil-Club), Europe's largest automobile club, found that drivers who use HID headlights drive more safely by up to 70 percent.
HID headlights are also able to save power consumption ranging from 25% to 35%. Also, these lights can usually stand wear and tear up to approximately ten years. With these headlights in place of the conventional ones, you won't have to worry anymore about driving weariness at night, or embarrassing yourself in front of that lovely lady beside you.
How to choose one?
When you choose your own HID headlights, there are quite a few things you need to bear in mind. You have to know what size your light bulbs come in. Normally, light bulbs come in sizes H1, H3, H4, H7, 9004, 9005, 9006, 9007, D2S, D2R, D1S and H13.
The next thing you will have to consider is the colour temperature you want with your HID headlights. This temperature is measured in the Kelvin (K) degrees. It determines what colour the HID headlights will produce.
Not cool.
Unfortunately, the most commonly used car headlights are the halogen ones that tend to fade over time. This is when the HID headlights come in pretty handy.
Forget halogen, switch to HID
While conventional car headlights use halogen to give out light, HID headlights take advantage of the xenon gas along with metal halide salts and mercury. An arc comprising a high voltage current ignites the xenon inside the headlights causing them to glow pretty brightly. Similar to a fluorescent light, the high voltage of HID headlights also comes from a ballast. And, due to the use of xenon gas inside the headlights, they are often known as xenon headlights as well.
How does it work?
When you switch on your car headlights, a voltage of as high 12V is distributed along a relay coil. As a result, contacts are closed. From this point on, the 12V voltage is utilised to turn on a ballast inside a xenon headlight. It is this ballast that will then ignite and provide power for the bulbs. Pretty simple? You bet.
![]() |
Why consider HID?
Well, obviously, compared to the conventional car headlights, HID headlights have quite a decent number of advantages.
First of all, HID headlights create a wider light beam pattern and illuminate the area at the side of vehicle better and are usually three times brighter than the halogen ones, allowing drivers who use them to drive more safely. In fact, ADAC (Allgemeiner Deutscher Automobil-Club), Europe's largest automobile club, found that drivers who use HID headlights drive more safely by up to 70 percent.
HID headlights are also able to save power consumption ranging from 25% to 35%. Also, these lights can usually stand wear and tear up to approximately ten years. With these headlights in place of the conventional ones, you won't have to worry anymore about driving weariness at night, or embarrassing yourself in front of that lovely lady beside you.
How to choose one?
When you choose your own HID headlights, there are quite a few things you need to bear in mind. You have to know what size your light bulbs come in. Normally, light bulbs come in sizes H1, H3, H4, H7, 9004, 9005, 9006, 9007, D2S, D2R, D1S and H13.
The next thing you will have to consider is the colour temperature you want with your HID headlights. This temperature is measured in the Kelvin (K) degrees. It determines what colour the HID headlights will produce.
HID with a temperature of 3000K will produce a golden yellow colour, 4300K produces bright white, 5000K produces white, 6000K produces crystal white, 8000K produces crystal blue, 10000K for Aqua Blue and 12000K for a purplish blue colour.
However, you need to keep away from the 'bluer' ones. Simply because our human eyes are unable to take in this colour well, causing a blur vision or even fatigue over a long period of time - something drivers will not want to experience during a drive.
Conversion kits are also important to consider. They normally consist of single beam, hi-lo beam, telescope and bi-xenon conversion kits.
Are there any possible problems?
As you would with any other things, you may also expect HID to have some problems. This lighting is can be very bright, especially when used at night due to the contrast. Hence, the glare can be a tad irritating for passing vehicles
Another drawback is the cost. HIDs are often sold with high price tags. Then again, when compared to what they can give, the cost is actually worth it.
Recommended use and maintenance
In order to prolong the life of your HID headlights, it is recommended that you do not attempt to turn them off right after you have turned them on. HID bulbs normally require 60 seconds just for warming up before they can reach the normal operational temperature. Therefore, if you attempt to turn them off -- also known as short striking -- you will most likely damage them.
Similar to that, you will also damage your expensive HID bulbs if you turn them on right after you have just turned them off. This is also known as hot striking.
You may also notice slight fogginess on your lens after using your new HID headlights for several times. You should not panic on this. All you have to do is to let it go away all by itself. But if it's getting on your nerves, you a nail polish remover should do the trick.
You will also need to check whether there are cracks in the lens of the headlamps, because although the surface cracks will not affect the headlights lighting performance, moisture along the crack may come into contact with the lamps, causing the reduction of your HID headlights.
However, you need to keep away from the 'bluer' ones. Simply because our human eyes are unable to take in this colour well, causing a blur vision or even fatigue over a long period of time - something drivers will not want to experience during a drive.
Conversion kits are also important to consider. They normally consist of single beam, hi-lo beam, telescope and bi-xenon conversion kits.
Are there any possible problems?
As you would with any other things, you may also expect HID to have some problems. This lighting is can be very bright, especially when used at night due to the contrast. Hence, the glare can be a tad irritating for passing vehicles
Another drawback is the cost. HIDs are often sold with high price tags. Then again, when compared to what they can give, the cost is actually worth it.
![]() |
Recommended use and maintenance
In order to prolong the life of your HID headlights, it is recommended that you do not attempt to turn them off right after you have turned them on. HID bulbs normally require 60 seconds just for warming up before they can reach the normal operational temperature. Therefore, if you attempt to turn them off -- also known as short striking -- you will most likely damage them.
Similar to that, you will also damage your expensive HID bulbs if you turn them on right after you have just turned them off. This is also known as hot striking.
You may also notice slight fogginess on your lens after using your new HID headlights for several times. You should not panic on this. All you have to do is to let it go away all by itself. But if it's getting on your nerves, you a nail polish remover should do the trick.
You will also need to check whether there are cracks in the lens of the headlamps, because although the surface cracks will not affect the headlights lighting performance, moisture along the crack may come into contact with the lamps, causing the reduction of your HID headlights.





